其他

Innovation Breakthrough! Wintop Launches Heated CMS Optical Lens YT-7630-A8-A, Redefining the Optical Vision Standard

May 21, 2025

Wintop Optics, a global leader in optical factory, today announced the official launch of its next-generation heated CMS optical lens, YT-7630-A8-A. Designed for extreme environments, this product combines cutting-edge heating technology, superior optical performance, and robust durability, offering revolutionary solutions for autonomous driving, security surveillance, and other demanding applications.

Key Innovation: Active Heating Technology for Extreme Environments

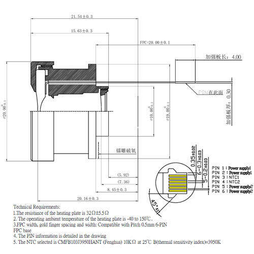
The YT-7630-A8-A features an FPC (Flexible Printed Circuit)-integrated heating module with precision temperature control. It eliminates fogging and frost on lens surfaces within seconds in extreme temperatures (-40°C to 85°C), ensuring stable imaging clarity in low-temperature, high-humidity conditions. This breakthrough addresses chronic image distortion issues in traditional CMS lenses caused by temperature fluctuations, significantly enhancing all-weather operational reliability.

Heated car camera lens

Performance Excellence: Precision Optics for Diverse Applications

  • Superior Optical Capabilities: A 5.49mm focal length paired with an f/1.8 large aperture delivers high light intake and a wide field of view, enabling low-noise HD imaging even in low-light environments.

  • Ultra-Low Distortion: Distortion < -8.3%, supported by a 6G+1IR lens structure (6 spherical glass lenses + 1 infrared filter), ensures edge-to-edge sharpness for precision measurement tasks.

  • Compact Design: With an optical total length of 20.16mm, it fits space-constrained devices and supports 1/2.6" sensors for compatibility with mainstream CMS cameras.

  • Military-Grade Durability: IP69K certification guarantees resistance to high-pressure water jets, dust ingress, and chemical corrosion, ideal for automotive manufacturing, food processing, and harsh industrial environments.

YT-7630-A8-A

Plug-and-Play Integration: Standardized Interface

The YT-7630-A8-A adopts the AA19-10-8.45 threaded interface, enabling seamless compatibility with mainstream camera modules. Customizable optical and mechanical configurations are available to meet specialized application needs.

aa lens

Future-Proof Applications

  • Autonomous Vehicles: Ensures reliable perception for ADAS in freezing and wet conditions.

  • Industry 4.0: Enhances precision in lithium battery inspection, semiconductor packaging, and high-tolerance manufacturing.

  • Smart Security: Maintains uninterrupted outdoor surveillance in extreme climates.

  • Medical Equipment: Provides stable imaging for low-temperature laboratory instruments.

About Wintop
With over eighteen years of experience in optical lenses, Wintop specializes in high-end automotive vision systems, and AI-driven imaging technologies. Certified to ISO 9001 and IATF 16949, we serve 500+ global industry leaders, driven by our mission to "Illuminate the Future" through optical innovation.

 

需要帮忙?与我们聊天

留言
如需任何信息或技术支持请求,请填写表格。所有标有星号* 的字段均为必填字段。
提交

主页

产品

whatsApp

接触